李工:138-8949-5179 刘工:135-0428-8802
型号查询
轴承型号   常见搜索: 6021轴承 6010轴承 6028轴承 6900轴承 688a轴承 6032轴承
型号查询 X

轴承专区

Bearings Center

BSA 215 CG轴承-SKF BSA 215 CG轴承尺寸、图纸、价格

SKF BSA 215 CG轴承

产品名称:BSA 215 CG轴承 品牌:SKF
类型:SKF轴承 > 超高精密轴承 > Angular contact thrust ball bearings for screw drives
描述:BSA 215 CG轴承是【SKF轴承 > 超高精密轴承 > Angular contact thrust ball bearings for screw drives】的型号,主要用在燃汽轮机、离心分离机、中型及大型电动机、变速器、各类产业用减速机、石油钻机转环、电机厂、洗染、凿岩机械、抓钢机等各大领域

 电话/微信:138-8949-5179

SKF BSA 215 CG轴承详细信息

BSA 215 CG轴承是【SKF轴承 > 超高精密轴承 > Angular contact thrust ball bearings for screw drives】的型号,主要用在燃汽轮机、离心分离机、中型及大型电动机、变速器、各类产业用减速机、石油钻机转环、电机厂、洗染、凿岩机械、抓钢机等各大领域。

SKF BSA 215 CG轴承详细参数

角接触推力球轴承 for screw drives, single direction
主要数据尺寸基本负荷额定值疲劳负荷限值可达到的速度体积型号
动态静态当润滑与SKFSNFA
油脂滴油润滑
dDHCC0Pu
mmkNkNr/minkg-
7513025722459,15430050001,45BSA 215 CGBS 275 7P62U

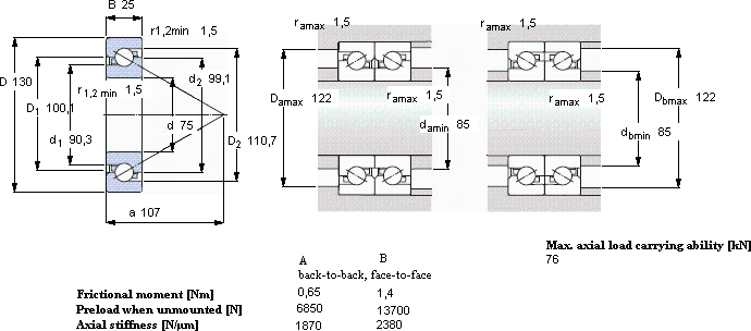
SKF BSA 215 CG轴承尺寸图纸

李工:138-8949-5179

刘工:135-0428-8802

地址:辽宁省大连经济技术开发区现代城3栋-13-13号

在线客服系统