李工:138-8949-5179 刘工:135-0428-8802
型号查询
轴承型号   常见搜索: 6906轴承 6022轴承 6900轴承 6309轴承 6006轴承 32313轴承
型号查询 X

轴承专区

Bearings Center

21305 CC轴承-SKF 21305 CC轴承尺寸、图纸、价格

SKF 21305 CC轴承

产品名称:21305 CC轴承 品牌:SKF
类型:SKF轴承 > 滚动轴承 > 球面滚子轴承
描述:21305 CC轴承是【SKF轴承 > 滚动轴承 > 球面滚子轴承】的型号,主要用在内燃机、燃汽轮机、提升机、后轮、木工机械、起重机吊钩、挤压机、医药设备、强夯机、数控设备等各大领域

 电话/微信:138-8949-5179

SKF 21305 CC轴承详细信息

21305 CC轴承是【SKF轴承 > 滚动轴承 > 球面滚子轴承】的型号,主要用在内燃机、燃汽轮机、提升机、后轮、木工机械、起重机吊钩、挤压机、医药设备、强夯机、数控设备等各大领域。

SKF 21305 CC轴承详细参数

球面滚子轴承, 圆柱和圆锥孔, 圆柱型内孔, 无密封件
主要数据尺寸基本负荷额定值疲劳负荷限值额定速度体积型号
动态静态参照速度限制速度
dDBCC0Pu
mmkNkNr/minkg-
25621741,441,54,558500120000,2821305 CC

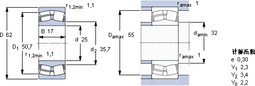
SKF 21305 CC轴承尺寸图纸

李工:138-8949-5179

刘工:135-0428-8802

地址:辽宁省大连经济技术开发区现代城3栋-13-13号

在线客服系统