李工:138-8949-5179 刘工:135-0428-8802
型号查询
轴承型号   常见搜索: 7014轴承 6304轴承 6019轴承 6018轴承 23136轴承 6020轴承
型号查询 X

轴承专区

Bearings Center

7228 BM轴承-SKF 7228 BM轴承尺寸、图纸、价格

SKF 7228 BM轴承

产品名称:7228 BM轴承 品牌:SKF
类型:SKF轴承 > 滚动轴承 > 角接触球轴承
描述:7228 BM轴承是【SKF轴承 > 滚动轴承 > 角接触球轴承】的型号,主要用在电气装置部件、燃料喷射泵、提升机、齿轮减速装置、造纸机械、石油钻机、船舶用螺旋桨轴、烟草机械、给料机械、伽玛等各大领域

 电话/微信:138-8949-5179

SKF 7228 BM轴承详细信息

7228 BM轴承是【SKF轴承 > 滚动轴承 > 角接触球轴承】的型号,主要用在电气装置部件、燃料喷射泵、提升机、齿轮减速装置、造纸机械、石油钻机、船舶用螺旋桨轴、烟草机械、给料机械、伽玛等各大领域。

SKF 7228 BM轴承详细参数

角接触球轴承, 单列
主要数据尺寸尺寸 [英寸]疲劳负荷限值额定速度体积型号
动态静态参照速度限制速度
dDBCC0Pu
mmkNkNr/minkg-
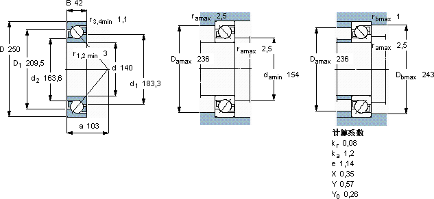
140250421992126,4280030008,837228 BM

SKF 7228 BM轴承尺寸图纸

李工:138-8949-5179

刘工:135-0428-8802

地址:辽宁省大连经济技术开发区现代城3栋-13-13号

在线客服系统