李工:138-8949-5179 刘工:135-0428-8802
型号查询
轴承型号   常见搜索: 6006轴承 6900轴承 6305轴承 6007轴承 6013轴承 6004轴承
型号查询 X

轴承专区

Bearings Center

22210 EK + H 310 *轴承-SKF 22210 EK + H 310 *轴承尺寸、图纸、价格

SKF 22210 EK + H 310 *轴承

产品名称:22210 EK + H 310 *轴承 品牌:SKF
类型:SKF轴承 > 滚动轴承 > 球面滚子轴承
描述:22210 EK + H 310 *轴承是【SKF轴承 > 滚动轴承 > 球面滚子轴承】的型号,主要用在变速器、差速器小齿轮轴、燃汽轮机、小齿轮轴、各类产业用减速机、机床主轴、立式电动机、玩具、挖掘机、吹氧装置等各大领域

 电话/微信:138-8949-5179

SKF 22210 EK + H 310 *轴承详细信息

22210 EK + H 310 *轴承是【SKF轴承 > 滚动轴承 > 球面滚子轴承】的型号,主要用在变速器、差速器小齿轮轴、燃汽轮机、小齿轮轴、各类产业用减速机、机床主轴、立式电动机、玩具、挖掘机、吹氧装置等各大领域。

SKF 22210 EK + H 310 *轴承详细参数

球面滚子轴承, 带紧定套的
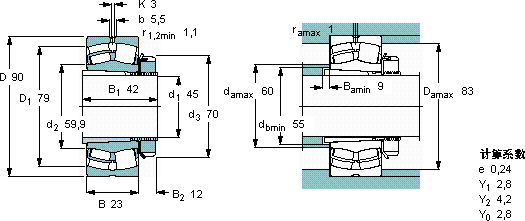
主要数据尺寸基本负荷额定值疲劳负荷限值额定速度体积型号
动态静态参照速度限制速度轴承 + 紧定套
d1DBCC0Pu
* - SKF Explorer 轴承
mmkNkNr/minkg-
45902310410811,8700095000,9022210 EK + H 310 *

SKF 22210 EK + H 310 *轴承尺寸图纸

李工:138-8949-5179

刘工:135-0428-8802

地址:辽宁省大连经济技术开发区现代城3栋-13-13号

在线客服系统