李工:138-8949-5179 刘工:135-0428-8802
型号查询
轴承型号   常见搜索: 6018轴承 6008轴承 22222轴承 6006轴承 6019轴承 6024轴承
型号查询 X

轴承专区

Bearings Center

6204 ETN9轴承-SKF 6204 ETN9轴承尺寸、图纸、价格

SKF 6204 ETN9轴承

产品名称:6204 ETN9轴承 品牌:SKF
类型:SKF轴承 > 滚动轴承 > 深沟球轴承
描述:6204 ETN9轴承是【SKF轴承 > 滚动轴承 > 深沟球轴承】的型号,主要用在仪表、高频马达、纺织机械传动轴、前轮、减速装置、机床等的变速装置、碾煤机、纺织、工程船舶、厨具设备等各大领域

 电话/微信:138-8949-5179

SKF 6204 ETN9轴承详细信息

6204 ETN9轴承是【SKF轴承 > 滚动轴承 > 深沟球轴承】的型号,主要用在仪表、高频马达、纺织机械传动轴、前轮、减速装置、机床等的变速装置、碾煤机、纺织、工程船舶、厨具设备等各大领域。

SKF 6204 ETN9轴承详细参数

深沟球轴承, 单列, 无密封件
主要数据尺寸基本负荷额定值疲劳负荷限值额定速度体积型号
动态静态参照速度限制速度
dDBCC0Pu
mmkNkNr/minkg-
20471415,67,650,32532000200000,0966204 ETN9

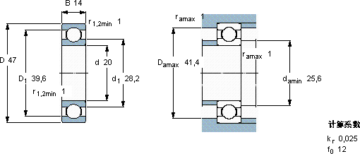
SKF 6204 ETN9轴承尺寸图纸

李工:138-8949-5179

刘工:135-0428-8802

地址:辽宁省大连经济技术开发区现代城3栋-13-13号

在线客服系统