轴承专区
Bearings Center
2309 EKTN9 + H 2309轴承-SKF 2309 EKTN9 + H 2309轴承尺寸、图纸、价格
SKF 2309 EKTN9 + H 2309轴承
| 产品名称: | 2309 EKTN9 + H 2309轴承 | 品牌: | SKF |
|---|---|---|---|
| 类型: | SKF轴承 > 滚动轴承 > 自调心球轴承 | ||
| 描述: | 2309 EKTN9 + H 2309轴承是【SKF轴承 > 滚动轴承 > 自调心球轴承】的型号,主要用在家用电器、油泵、提升机、机床主轴、振动筛、石油钻机、塔吊、破碎、解体机、塔式车库等各大领域 | ||
电话/微信:138-8949-5179
SKF 2309 EKTN9 + H 2309轴承详细信息
2309 EKTN9 + H 2309轴承是【SKF轴承 > 滚动轴承 > 自调心球轴承】的型号,主要用在家用电器、油泵、提升机、机床主轴、振动筛、石油钻机、塔吊、破碎、解体机、塔式车库等各大领域。
SKF 2309 EKTN9 + H 2309轴承详细参数
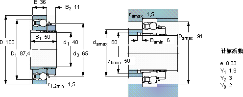
| 自调心球轴承, 带紧定套, 无密封件 | ||||||||||
| 主要数据尺寸 | 基本负荷额定值 | 疲劳负荷限值 | 额定速度 | 体积 | 型号 | |||||
| 动态 | 静态 | 参照速度 | 限制速度 | 轴承 + 紧定套 | ||||||
| d1 | D | B | C | C0 | Pu | |||||
| mm | kN | kN | r/min | kg | - | |||||
| 40 | 100 | 36 | 63,7 | 19,3 | 1 | 13000 | 9000 | 1,40 | 2309 EKTN9 + H 2309 | |
SKF 2309 EKTN9 + H 2309轴承尺寸图纸

