轴承专区
Bearings Center
98203轴承-SKF 98203轴承尺寸、图纸、价格
SKF 98203轴承
| 产品名称: | 98203轴承 | 品牌: | SKF |
|---|---|---|---|
| 类型: | SKF轴承 > 滚动轴承 > 深沟球轴承 | ||
| 描述: | 98203轴承是【SKF轴承 > 滚动轴承 > 深沟球轴承】的型号,主要用在建筑机械、各类变速器、木工机械、铁路车辆、减速装置、机床等的变速装置、成形机、化纤机械、压路机、港口起重机等各大领域 | ||
电话/微信:138-8949-5179
SKF 98203轴承详细信息
98203轴承是【SKF轴承 > 滚动轴承 > 深沟球轴承】的型号,主要用在建筑机械、各类变速器、木工机械、铁路车辆、减速装置、机床等的变速装置、成形机、化纤机械、压路机、港口起重机等各大领域。
SKF 98203轴承详细参数
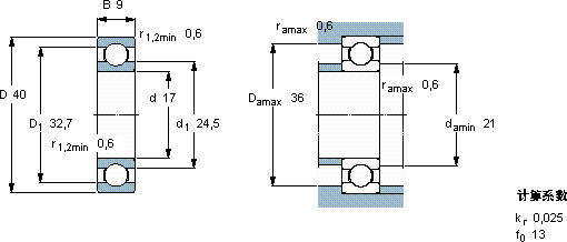
| 深沟球轴承, 单列, 无密封件 | |||||||||||
| 主要数据尺寸 | 基本负荷额定值 | 疲劳负荷限值 | 额定速度 | 体积 | 型号 | ||||||
| 动态 | 静态 | 参照速度 | 限制速度 | ||||||||
| d | D | B | C | C0 | Pu | ||||||
| mm | kN | kN | r/min | kg | - | ||||||
| 17 | 40 | 9 | 9,56 | 4,75 | 0,2 | 38000 | 24000 | 0,048 | 98203 | ||
SKF 98203轴承尺寸图纸

