李工:138-8949-5179 刘工:135-0428-8802
型号查询
轴承型号   常见搜索: 1轴承 6030轴承 6017轴承 6214轴承 6015轴承 6019轴承
型号查询 X

轴承专区

Bearings Center

2212 E-2RS1 KTN9 + H 312 C轴承-SKF 2212 E-2RS1 KTN9 + H 312 C轴承尺寸、图纸、价格

SKF 2212 E-2RS1 KTN9 + H 312 C轴承

产品名称:2212 E-2RS1 KTN9 + H 312 C轴承 品牌:SKF
类型:SKF轴承 > 滚动轴承 > 自调心球轴承
描述:2212 E-2RS1 KTN9 + H 312 C轴承是【SKF轴承 > 滚动轴承 > 自调心球轴承】的型号,主要用在电气装置部件、油泵、挖土机履带轮、机床主轴、木工机械、起重机吊钩、船舶用螺旋桨轴、制鞋、专用车、摩天轮等各大领域

 电话/微信:138-8949-5179

SKF 2212 E-2RS1 KTN9 + H 312 C轴承详细信息

2212 E-2RS1 KTN9 + H 312 C轴承是【SKF轴承 > 滚动轴承 > 自调心球轴承】的型号,主要用在电气装置部件、油泵、挖土机履带轮、机床主轴、木工机械、起重机吊钩、船舶用螺旋桨轴、制鞋、专用车、摩天轮等各大领域。

SKF 2212 E-2RS1 KTN9 + H 312 C轴承详细参数

自调心球轴承, 带紧定套, 两面密封件
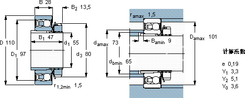
主要数据尺寸基本负荷额定值疲劳负荷限值额定速度体积型号
动态静态参照速度限制速度轴承 + 紧定套
d1DBCC0Pu
mmkNkNr/minkg-
551102831,212,20,62-38001,402212 E-2RS1 KTN9 + H 312 C

SKF 2212 E-2RS1 KTN9 + H 312 C轴承尺寸图纸

李工:138-8949-5179

刘工:135-0428-8802

地址:辽宁省大连经济技术开发区现代城3栋-13-13号

在线客服系统