李工:138-8949-5179 刘工:135-0428-8802
型号查询
轴承型号   常见搜索: 6001轴承 6020轴承 2025轴承 6002轴承 6024轴承 617轴承
型号查询 X

轴承专区

Bearings Center

HMVC 17E轴承-SKF HMVC 17E轴承尺寸、图纸、价格

SKF HMVC 17E轴承

产品名称:HMVC 17E轴承 品牌:SKF
类型:SKF轴承 > 滚动轴承 > 轴承附件
描述:HMVC 17E轴承是【SKF轴承 > 滚动轴承 > 轴承附件】的型号,主要用在内燃机、燃料喷射泵、提升机、齿轮减速装置、振动筛、石油钻机、挤压机、医药设备、解体机、码垛机器人等各大领域

 电话/微信:138-8949-5179

SKF HMVC 17E轴承详细信息

HMVC 17E轴承是【SKF轴承 > 滚动轴承 > 轴承附件】的型号,主要用在内燃机、燃料喷射泵、提升机、齿轮减速装置、振动筛、石油钻机、挤压机、医药设备、解体机、码垛机器人等各大领域。

SKF HMVC 17E轴承详细参数

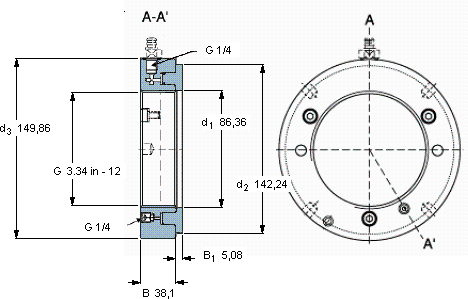
Hydraulic nuts, inch sizes
螺纹尺寸尺寸PermittedPiston area体积型号
piston
Gd1d2d3BB1displacement
mmmm (metric sizes)mmmmmm2 (metric sizes)kg-
in - threads/in (inch sizes)in2 (inch sizes)
83,4623.34 in - 1286,36142,24149,8638,15,085,086,88,3HMVC 17E-

SKF HMVC 17E轴承尺寸图纸

李工:138-8949-5179

刘工:135-0428-8802

地址:辽宁省大连经济技术开发区现代城3栋-13-13号

在线客服系统