李工:138-8949-5179 刘工:135-0428-8802
型号查询
轴承型号   常见搜索: 6028轴承 22222轴承 *轴承 6020轴承 6003轴承 6006轴承
型号查询 X

轴承专区

Bearings Center

2 x 7308 BECBJ轴承-SKF 2 x 7308 BECBJ轴承尺寸、图纸、价格

SKF 2 x 7308 BECBJ轴承

产品名称:2 x 7308 BECBJ轴承 品牌:SKF
类型:SKF轴承 > 滚动轴承 > 角接触球轴承
描述:2 x 7308 BECBJ轴承是【SKF轴承 > 滚动轴承 > 角接触球轴承】的型号,主要用在各种产业机械、罗茨鼓风机、燃汽轮机、建筑机械、破碎机、制铁制钢机械、发电厂、陶瓷机械、堆取料机、冶金起重机等各大领域

 电话/微信:138-8949-5179

SKF 2 x 7308 BECBJ轴承详细信息

2 x 7308 BECBJ轴承是【SKF轴承 > 滚动轴承 > 角接触球轴承】的型号,主要用在各种产业机械、罗茨鼓风机、燃汽轮机、建筑机械、破碎机、制铁制钢机械、发电厂、陶瓷机械、堆取料机、冶金起重机等各大领域。

SKF 2 x 7308 BECBJ轴承详细参数

角接触球轴承, 单列,用于配对安装, 背对背配对
主要数据尺寸基本负荷额定值疲劳负荷限值额定速度体积型号轴承配对
动态静态参照速度限制速度
dD2BCC0Pu
mmkNkNr/minkg--
40904679,365,52,8700090001,302 × 7308 BECBJDB

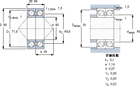
SKF 2 x 7308 BECBJ轴承尺寸图纸

李工:138-8949-5179

刘工:135-0428-8802

地址:辽宁省大连经济技术开发区现代城3栋-13-13号

在线客服系统