李工:138-8949-5179 刘工:135-0428-8802
型号查询
轴承型号   常见搜索: 6909轴承 6011轴承 23136轴承 6205轴承 6024轴承 7014轴承
型号查询 X

轴承专区

Bearings Center

23148-2CS5/VT143 *轴承-SKF 23148-2CS5/VT143 *轴承尺寸、图纸、价格

SKF 23148-2CS5/VT143 *轴承

产品名称:23148-2CS5/VT143 *轴承 品牌:SKF
类型:SKF轴承 > 滚动轴承 > 球面滚子轴承
描述:23148-2CS5/VT143 *轴承是【SKF轴承 > 滚动轴承 > 球面滚子轴承】的型号,主要用在农业机械、燃汽轮机、挖土机履带轮、后轮、木工机械、起重机吊钩、钢铁厂、塑料、强夯机、刮泥机等各大领域

 电话/微信:138-8949-5179

SKF 23148-2CS5/VT143 *轴承详细信息

23148-2CS5/VT143 *轴承是【SKF轴承 > 滚动轴承 > 球面滚子轴承】的型号,主要用在农业机械、燃汽轮机、挖土机履带轮、后轮、木工机械、起重机吊钩、钢铁厂、塑料、强夯机、刮泥机等各大领域。

SKF 23148-2CS5/VT143 *轴承详细参数

球面滚子轴承, 圆柱和圆锥孔, 圆柱型内孔, 两面密封件
主要数据尺寸基本负荷额定值疲劳负荷限值额定速度体积型号
动态静态参照速度限制速度
dDBCC0Pu * - SKF Explorer 轴承
mmkNkNr/minkg-
24040012820803200255-34066,523148-2CS5/VT143 *

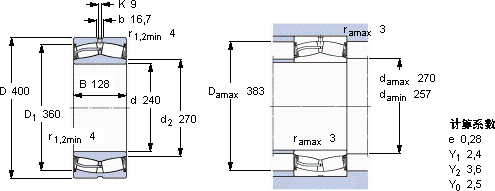
SKF 23148-2CS5/VT143 *轴承尺寸图纸

李工:138-8949-5179

刘工:135-0428-8802

地址:辽宁省大连经济技术开发区现代城3栋-13-13号

在线客服系统