李工:138-8949-5179 刘工:135-0428-8802
型号查询
轴承型号   常见搜索: 6018轴承 6014轴承 6214轴承 6002轴承 6004轴承 6019轴承
型号查询 X

轴承专区

Bearings Center

2 x 7222 BECBP *轴承-SKF 2 x 7222 BECBP *轴承尺寸、图纸、价格

SKF 2 x 7222 BECBP *轴承

产品名称:2 x 7222 BECBP *轴承 品牌:SKF
类型:SKF轴承 > 滚动轴承 > 角接触球轴承
描述:2 x 7222 BECBP *轴承是【SKF轴承 > 滚动轴承 > 角接触球轴承】的型号,主要用在燃汽轮机、离心分离机、减速装置、变速器、减速装置、石油钻机转环、电机厂、塑料、轻工机械、抓钢机等各大领域

 电话/微信:138-8949-5179

SKF 2 x 7222 BECBP *轴承详细信息

2 x 7222 BECBP *轴承是【SKF轴承 > 滚动轴承 > 角接触球轴承】的型号,主要用在燃汽轮机、离心分离机、减速装置、变速器、减速装置、石油钻机转环、电机厂、塑料、轻工机械、抓钢机等各大领域。

SKF 2 x 7222 BECBP *轴承详细参数

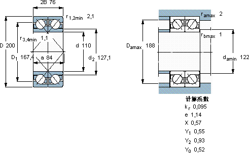
角接触球轴承, 单列,用于配对安装, 面对面配对
主要数据尺寸基本负荷额定值疲劳负荷限值额定速度体积型号轴承配对
动态静态参照速度限制速度
dD2BCC0Pu * - SKF Explorer 轴承
mmkNkNr/minkg--
110200762753229,4320040009,202 × 7222 BECBP *DF

SKF 2 x 7222 BECBP *轴承尺寸图纸

李工:138-8949-5179

刘工:135-0428-8802

地址:辽宁省大连经济技术开发区现代城3栋-13-13号

在线客服系统