轴承专区
Bearings Center
NKX 20 Z轴承-SKF NKX 20 Z轴承尺寸、图纸、价格
SKF NKX 20 Z轴承
| 产品名称: | NKX 20 Z轴承 | 品牌: | SKF |
|---|---|---|---|
| 类型: | SKF轴承 > 滚动轴承 > 组合滚针轴承 | ||
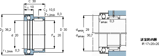
| 描述: | NKX 20 Z轴承是【SKF轴承 > 滚动轴承 > 组合滚针轴承】的型号,主要用在燃汽轮机、印刷机械、变速器、轧钢机辊颈、减速装置、石油钻机转环、电机厂、塑料、凿岩机械、数控设备等各大领域 | ||
电话/微信:138-8949-5179
SKF NKX 20 Z轴承详细信息
NKX 20 Z轴承是【SKF轴承 > 滚动轴承 > 组合滚针轴承】的型号,主要用在燃汽轮机、印刷机械、变速器、轧钢机辊颈、减速装置、石油钻机转环、电机厂、塑料、凿岩机械、数控设备等各大领域。
SKF NKX 20 Z轴承详细参数
| 组合式滚针轴承, 滚针/推力球轴承 | ||||||||||||||
| 主要数据尺寸 | 基本负荷额定值 | 疲劳负荷限值 | 最小负荷系数 | 额定速度 | 体积 | 型号 | ||||||||
| 径向 | 轴向 | 参照速度 | 限制速度 | |||||||||||
| 动态 | 静态 | 动态 | 静态 | 径向 | 轴向 | |||||||||
| Fw | D | C | C | C0 | C | C0 | Pu | Pu | A | |||||
| mm | kN | kN | - | r/min | kg | - | ||||||||
| 20 | 30 | 30 | 16,8 | 26 | 14,3 | 27 | 3,05 | 1 | 0,0038 | 7500 | 6000 | 0,09 | NKX 20 Z | |
SKF NKX 20 Z轴承尺寸图纸

