李工:138-8949-5179 刘工:135-0428-8802
型号查询
轴承型号   常见搜索: 23136轴承 6909轴承 6309轴承 6010轴承 6305轴承 6032轴承
型号查询 X

轴承专区

Bearings Center

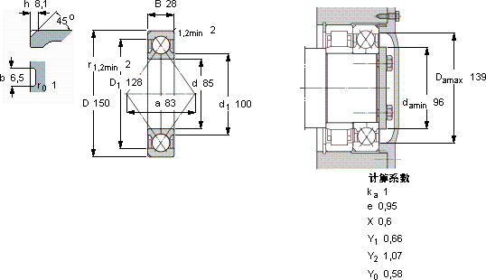
QJ 217 N2MA *轴承-SKF QJ 217 N2MA *轴承尺寸、图纸、价格

SKF QJ 217 N2MA *轴承

产品名称:QJ 217 N2MA *轴承 品牌:SKF
类型:SKF轴承 > 滚动轴承 > 角接触球轴承
描述:QJ 217 N2MA *轴承是【SKF轴承 > 滚动轴承 > 角接触球轴承】的型号,主要用在电气装置部件、油泵、桥式起重机、机床主轴、铁路车辆车轴、起重机吊钩、船舶用螺旋桨轴、医药设备、专用车、摩天轮等各大领域

 电话/微信:138-8949-5179

SKF QJ 217 N2MA *轴承详细信息

QJ 217 N2MA *轴承是【SKF轴承 > 滚动轴承 > 角接触球轴承】的型号,主要用在电气装置部件、油泵、桥式起重机、机床主轴、铁路车辆车轴、起重机吊钩、船舶用螺旋桨轴、医药设备、专用车、摩天轮等各大领域。

SKF QJ 217 N2MA *轴承详细参数

角接触球轴承, 四点接触球轴承
主要数据尺寸基本负荷额定值疲劳负荷限值额定速度体积型号
动态静态参照速度限制速度
dDBCC0Pu * - SKF Explorer 轴承
mmkNkNr/minkg-
85150281561736,7530075002,25QJ 217 N2MA *

SKF QJ 217 N2MA *轴承尺寸图纸

李工:138-8949-5179

刘工:135-0428-8802

地址:辽宁省大连经济技术开发区现代城3栋-13-13号

在线客服系统