李工:138-8949-5179 刘工:135-0428-8802
型号查询
轴承型号   常见搜索: 6012轴承 23136轴承 6030轴承 6006轴承 6309轴承 2025轴承
型号查询 X

轴承专区

Bearings Center

21308 EK + H 308 *轴承-SKF 21308 EK + H 308 *轴承尺寸、图纸、价格

SKF 21308 EK + H 308 *轴承

产品名称:21308 EK + H 308 *轴承 品牌:SKF
类型:SKF轴承 > 滚动轴承 > 球面滚子轴承
描述:21308 EK + H 308 *轴承是【SKF轴承 > 滚动轴承 > 球面滚子轴承】的型号,主要用在农业机械、机床主轴、压缩机、汽车、轧钢机辊道子、耕耘机、钢铁厂、陶瓷机械、地基处理机械、太阳能发电设备等各大领域

 电话/微信:138-8949-5179

SKF 21308 EK + H 308 *轴承详细信息

21308 EK + H 308 *轴承是【SKF轴承 > 滚动轴承 > 球面滚子轴承】的型号,主要用在农业机械、机床主轴、压缩机、汽车、轧钢机辊道子、耕耘机、钢铁厂、陶瓷机械、地基处理机械、太阳能发电设备等各大领域。

SKF 21308 EK + H 308 *轴承详细参数

球面滚子轴承, 带紧定套的
主要数据尺寸基本负荷额定值疲劳负荷限值额定速度体积型号
动态静态参照速度限制速度轴承 + 紧定套
d1DBCC0Pu
* - SKF Explorer 轴承
mmkNkNr/minkg-
35902310410811,8700095000,9221308 EK + H 308 *

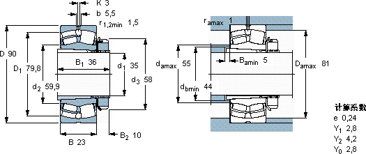
SKF 21308 EK + H 308 *轴承尺寸图纸

李工:138-8949-5179

刘工:135-0428-8802

地址:辽宁省大连经济技术开发区现代城3栋-13-13号

在线客服系统