李工:138-8949-5179 刘工:135-0428-8802
型号查询
轴承型号   常见搜索: 6214轴承 23136轴承 6006轴承 6020轴承 1轴承 6024轴承
型号查询 X

轴承专区

Bearings Center

HMV 52E轴承-SKF HMV 52E轴承尺寸、图纸、价格

SKF HMV 52E轴承

产品名称:HMV 52E轴承 品牌:SKF
类型:SKF轴承 > 滚动轴承 > 轴承附件
描述:HMV 52E轴承是【SKF轴承 > 滚动轴承 > 轴承附件】的型号,主要用在飞机喷气式发动机、燃料喷射泵、汽车发动机、齿轮减速装置、轧钢机辊道子、石油钻机、燃机、烟草机械、解体机、厨具设备等各大领域

 电话/微信:138-8949-5179

SKF HMV 52E轴承详细信息

HMV 52E轴承是【SKF轴承 > 滚动轴承 > 轴承附件】的型号,主要用在飞机喷气式发动机、燃料喷射泵、汽车发动机、齿轮减速装置、轧钢机辊道子、石油钻机、燃机、烟草机械、解体机、厨具设备等各大领域。

SKF HMV 52E轴承详细参数

Hydraulic nuts, metric sizes
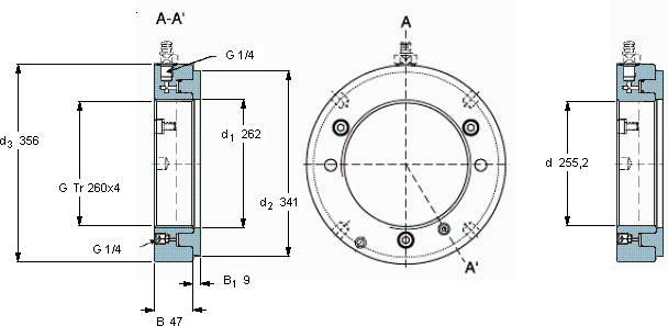
螺纹尺寸尺寸PermittedPiston area体积型号
piston
Gd1d2d3BB1displacement
mmmm (metric sizes)mmmmmm2 (metric sizes)kg-
in - threads/in (inch sizes)in2 (inch sizes)
260Tr 260x4262341356479111880019,0HMV 52EHMV 52E/A101

SKF HMV 52E轴承尺寸图纸

李工:138-8949-5179

刘工:135-0428-8802

地址:辽宁省大连经济技术开发区现代城3栋-13-13号

在线客服系统