轴承专区
Bearings Center
NUP 313 ECML *轴承-SKF NUP 313 ECML *轴承尺寸、图纸、价格
SKF NUP 313 ECML *轴承
| 产品名称: | NUP 313 ECML *轴承 | 品牌: | SKF |
|---|---|---|---|
| 类型: | SKF轴承 > 滚动轴承 > 圆柱滚子轴承 | ||
| 描述: | NUP 313 ECML *轴承是【SKF轴承 > 滚动轴承 > 圆柱滚子轴承】的型号,主要用在农业机械、燃汽轮机、纺织机械传动轴、后轮、造纸机械、起重机吊钩、钢铁厂、啤酒、专用车、刮泥机等各大领域 | ||
电话/微信:138-8949-5179
SKF NUP 313 ECML *轴承详细信息
NUP 313 ECML *轴承是【SKF轴承 > 滚动轴承 > 圆柱滚子轴承】的型号,主要用在农业机械、燃汽轮机、纺织机械传动轴、后轮、造纸机械、起重机吊钩、钢铁厂、啤酒、专用车、刮泥机等各大领域。
SKF NUP 313 ECML *轴承详细参数
| 圆柱滚子轴承, 单列, NUP 设计 | ||||||||||||
| 主要数据尺寸 | 基本负荷额定值 | 疲劳负荷限值 | 额定速度 | 体积 | 型号 | 适宜的斜挡圈 | ||||||
| 动态 | 静态 | 参照速度 | 限制速度 | 型号 | ||||||||
| d | D | B | C | C0 | Pu | * - SKF Explorer 轴承 | ||||||
| mm | kN | kN | r/min | kg | - | - | ||||||
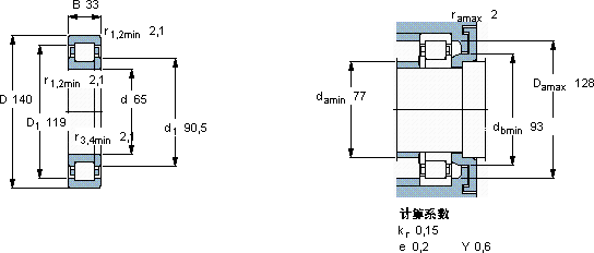
| 65 | 140 | 33 | 212 | 196 | 25,5 | 5300 | 9500 | 2,35 | NUP 313 ECML * | - | ||
SKF NUP 313 ECML *轴承尺寸图纸

