李工:138-8949-5179 刘工:135-0428-8802
型号查询
轴承型号   常见搜索: 6024轴承 6906轴承 6020轴承 6003轴承 6909轴承 6006轴承
型号查询 X

轴承专区

Bearings Center

16003-2Z轴承-SKF 16003-2Z轴承尺寸、图纸、价格

SKF 16003-2Z轴承

产品名称:16003-2Z轴承 品牌:SKF
类型:SKF轴承 > 滚动轴承 > 深沟球轴承
描述:16003-2Z轴承是【SKF轴承 > 滚动轴承 > 深沟球轴承】的型号,主要用在飞机喷气式发动机、机床主轴、燃汽轮机、汽车、铁路车辆车轴、耕耘机、燃机、制鞋、地基处理机械、坦克等各大领域

 电话/微信:138-8949-5179

SKF 16003-2Z轴承详细信息

16003-2Z轴承是【SKF轴承 > 滚动轴承 > 深沟球轴承】的型号,主要用在飞机喷气式发动机、机床主轴、燃汽轮机、汽车、铁路车辆车轴、耕耘机、燃机、制鞋、地基处理机械、坦克等各大领域。

SKF 16003-2Z轴承详细参数

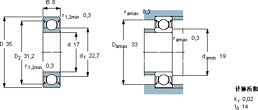
深沟球轴承, 单列, 两面防尘罩
主要数据尺寸基本负荷额定值疲劳负荷限值额定速度体积型号
动态静态参照速度限制速度
dDBCC0Pu
mmkNkNr/minkg-
173586,373,250,13745000220000,03216003-2Z

SKF 16003-2Z轴承尺寸图纸

李工:138-8949-5179

刘工:135-0428-8802

地址:辽宁省大连经济技术开发区现代城3栋-13-13号

在线客服系统