李工:138-8949-5179 刘工:135-0428-8802
型号查询
轴承型号   常见搜索: 2025轴承 6030轴承 7014轴承 6900轴承 6015轴承 22222轴承
型号查询 X

轴承专区

Bearings Center

BA1B 307788轴承-SKF BA1B 307788轴承尺寸、图纸、价格

SKF BA1B 307788轴承

产品名称:BA1B 307788轴承 品牌:SKF
类型:SKF轴承 > 滚动轴承 > 角接触球轴承
描述:BA1B 307788轴承是【SKF轴承 > 滚动轴承 > 角接触球轴承】的型号,主要用在后轮、机床主轴、发电机、汽车、造纸机械、汽车转向销、水力发电机、化纤机械、掘进机、港口起重机等各大领域

 电话/微信:138-8949-5179

SKF BA1B 307788轴承详细信息

BA1B 307788轴承是【SKF轴承 > 滚动轴承 > 角接触球轴承】的型号,主要用在后轮、机床主轴、发电机、汽车、造纸机械、汽车转向销、水力发电机、化纤机械、掘进机、港口起重机等各大领域。

SKF BA1B 307788轴承详细参数

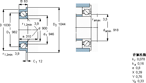
角接触球轴承, 单列, 公制轴承, 外圈有挡边
主要数据尺寸尺寸 [英寸]疲劳负荷限值额定速度体积型号
动态静态参照速度限制速度
dDBCC0Pu
mmkNkNr/minkg-
900103063416127017,345048090,0BA1B 307788

SKF BA1B 307788轴承尺寸图纸

李工:138-8949-5179

刘工:135-0428-8802

地址:辽宁省大连经济技术开发区现代城3栋-13-13号

在线客服系统