轴承专区
Bearings Center
23072 CCK/W33 + OH 3072 H *轴承-SKF 23072 CCK/W33 + OH 3072 H *轴承尺寸、图纸、价格
SKF 23072 CCK/W33 + OH 3072 H *轴承
| 产品名称: | 23072 CCK/W33 + OH 3072 H *轴承 | 品牌: | SKF |
|---|---|---|---|
| 类型: | SKF轴承 > 滚动轴承 > 球面滚子轴承 | ||
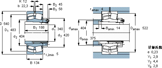
| 描述: | 23072 CCK/W33 + OH 3072 H *轴承是【SKF轴承 > 滚动轴承 > 球面滚子轴承】的型号,主要用在通用电动机、高频马达、中型及大型电动机、前轮、印刷机械、机床主轴、轧钢机轧制螺杆用减速机、饮料设备、挖掘机、机场加油机等各大领域 | ||
电话/微信:138-8949-5179
SKF 23072 CCK/W33 + OH 3072 H *轴承详细信息
23072 CCK/W33 + OH 3072 H *轴承是【SKF轴承 > 滚动轴承 > 球面滚子轴承】的型号,主要用在通用电动机、高频马达、中型及大型电动机、前轮、印刷机械、机床主轴、轧钢机轧制螺杆用减速机、饮料设备、挖掘机、机场加油机等各大领域。
SKF 23072 CCK/W33 + OH 3072 H *轴承详细参数
| 球面滚子轴承, 带紧定套的 | ||||||||||
| 主要数据尺寸 | 基本负荷额定值 | 疲劳负荷限值 | 额定速度 | 体积 | 型号 | |||||
| 动态 | 静态 | 参照速度 | 限制速度 | 轴承 + 紧定套 | ||||||
| d1 | D | B | C | C0 | Pu | |||||
| * - SKF Explorer 轴承 | ||||||||||
| mm | kN | kN | r/min | kg | - | |||||
| 340 | 540 | 134 | 2750 | 4800 | 345 | 950 | 1200 | 135 | 23072 CCK/W33 + OH 3072 H * | |
SKF 23072 CCK/W33 + OH 3072 H *轴承尺寸图纸

