李工:138-8949-5179 刘工:135-0428-8802
型号查询
轴承型号   常见搜索: 6900轴承 688a轴承 6020轴承 3214轴承 6205轴承 6007轴承
型号查询 X

轴承专区

Bearings Center

1313 EKTN9 + H 313轴承-SKF 1313 EKTN9 + H 313轴承尺寸、图纸、价格

SKF 1313 EKTN9 + H 313轴承

产品名称:1313 EKTN9 + H 313轴承 品牌:SKF
类型:SKF轴承 > 滚动轴承 > 自调心球轴承
描述:1313 EKTN9 + H 313轴承是【SKF轴承 > 滚动轴承 > 自调心球轴承】的型号,主要用在装卸搬运机械、高频马达、发电机、前轮、破碎机、机床等的变速装置、矿山、精细化工机械、压路机、伽玛等各大领域

 电话/微信:138-8949-5179

SKF 1313 EKTN9 + H 313轴承详细信息

1313 EKTN9 + H 313轴承是【SKF轴承 > 滚动轴承 > 自调心球轴承】的型号,主要用在装卸搬运机械、高频马达、发电机、前轮、破碎机、机床等的变速装置、矿山、精细化工机械、压路机、伽玛等各大领域。

SKF 1313 EKTN9 + H 313轴承详细参数

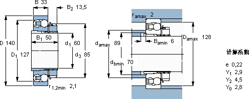
自调心球轴承, 带紧定套, 无密封件
主要数据尺寸基本负荷额定值疲劳负荷限值额定速度体积型号
动态静态参照速度限制速度轴承 + 紧定套
d1DBCC0Pu
mmkNkNr/minkg-
60140336525,51,25850060002,851313 EKTN9 + H 313

SKF 1313 EKTN9 + H 313轴承尺寸图纸

李工:138-8949-5179

刘工:135-0428-8802

地址:辽宁省大连经济技术开发区现代城3栋-13-13号

在线客服系统