李工:138-8949-5179 刘工:135-0428-8802
型号查询
轴承型号   常见搜索: 6005轴承 23136轴承 6013轴承 6028轴承 6304轴承 6021轴承
型号查询 X

轴承专区

Bearings Center

NUP 322 ECP *轴承-SKF NUP 322 ECP *轴承尺寸、图纸、价格

SKF NUP 322 ECP *轴承

产品名称:NUP 322 ECP *轴承 品牌:SKF
类型:SKF轴承 > 滚动轴承 > 圆柱滚子轴承
描述:NUP 322 ECP *轴承是【SKF轴承 > 滚动轴承 > 圆柱滚子轴承】的型号,主要用在后轮、油泵、挖土机履带轮、机床主轴、轧钢机辊道子、起重机吊钩、水力发电机、烟草机械、强夯机、港口起重机等各大领域

 电话/微信:138-8949-5179

SKF NUP 322 ECP *轴承详细信息

NUP 322 ECP *轴承是【SKF轴承 > 滚动轴承 > 圆柱滚子轴承】的型号,主要用在后轮、油泵、挖土机履带轮、机床主轴、轧钢机辊道子、起重机吊钩、水力发电机、烟草机械、强夯机、港口起重机等各大领域。

SKF NUP 322 ECP *轴承详细参数

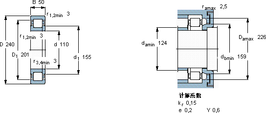
圆柱滚子轴承, 单列, NUP 设计
主要数据尺寸基本负荷额定值疲劳负荷限值额定速度体积型号适宜的斜挡圈
动态静态参照速度限制速度型号
dDBCC0Pu * - SKF Explorer 轴承
mmkNkNr/minkg--
11024050530540613000340011,2NUP 322 ECP *-

SKF NUP 322 ECP *轴承尺寸图纸

李工:138-8949-5179

刘工:135-0428-8802

地址:辽宁省大连经济技术开发区现代城3栋-13-13号

在线客服系统