李工:138-8949-5179 刘工:135-0428-8802
型号查询
轴承型号   常见搜索: 6005轴承 6011轴承 6007轴承 23136轴承 6309轴承 6004轴承
型号查询 X

轴承专区

Bearings Center

634-2RS1轴承-SKF 634-2RS1轴承尺寸、图纸、价格

SKF 634-2RS1轴承

产品名称:634-2RS1轴承 品牌:SKF
类型:SKF轴承 > 滚动轴承 > 深沟球轴承
描述:634-2RS1轴承是【SKF轴承 > 滚动轴承 > 深沟球轴承】的型号,主要用在家用电器、燃料喷射泵、变速器、齿轮减速装置、轧钢机辊道子、石油钻机、塔吊、饮料设备、解体机、冶金起重机等各大领域

 电话/微信:138-8949-5179

SKF 634-2RS1轴承详细信息

634-2RS1轴承是【SKF轴承 > 滚动轴承 > 深沟球轴承】的型号,主要用在家用电器、燃料喷射泵、变速器、齿轮减速装置、轧钢机辊道子、石油钻机、塔吊、饮料设备、解体机、冶金起重机等各大领域。

SKF 634-2RS1轴承详细参数

深沟球轴承, 单列, 两面密封件
主要数据尺寸基本负荷额定值疲劳负荷限值额定速度体积型号
动态静态参照速度限制速度
dDBCC0Pu
mmkNkNr/minkg-
41651,110,380,016-280000,0054634-2RS1

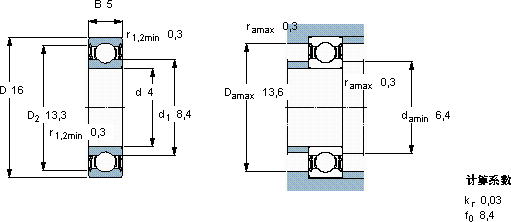
SKF 634-2RS1轴承尺寸图纸

李工:138-8949-5179

刘工:135-0428-8802

地址:辽宁省大连经济技术开发区现代城3栋-13-13号

在线客服系统