李工:138-8949-5179 刘工:135-0428-8802
型号查询
轴承型号   常见搜索: 6002轴承 3214轴承 6003轴承 6010轴承 6006轴承 6205轴承
型号查询 X

轴承专区

Bearings Center

1213 EKTN9 + H 213轴承-SKF 1213 EKTN9 + H 213轴承尺寸、图纸、价格

SKF 1213 EKTN9 + H 213轴承

产品名称:1213 EKTN9 + H 213轴承 品牌:SKF
类型:SKF轴承 > 滚动轴承 > 自调心球轴承
描述:1213 EKTN9 + H 213轴承是【SKF轴承 > 滚动轴承 > 自调心球轴承】的型号,主要用在内燃机、燃料喷射泵、木工机械、齿轮减速装置、铁路车辆车轴、石油钻机、挤压机、医药设备、解体机、码垛机器人等各大领域

 电话/微信:138-8949-5179

SKF 1213 EKTN9 + H 213轴承详细信息

1213 EKTN9 + H 213轴承是【SKF轴承 > 滚动轴承 > 自调心球轴承】的型号,主要用在内燃机、燃料喷射泵、木工机械、齿轮减速装置、铁路车辆车轴、石油钻机、挤压机、医药设备、解体机、码垛机器人等各大领域。

SKF 1213 EKTN9 + H 213轴承详细参数

自调心球轴承, 带紧定套, 无密封件
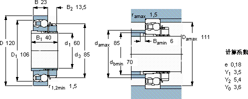
主要数据尺寸基本负荷额定值疲劳负荷限值额定速度体积型号
动态静态参照速度限制速度轴承 + 紧定套
d1DBCC0Pu
mmkNkNr/minkg-
601202335,1140,721000070001,451213 EKTN9 + H 213

SKF 1213 EKTN9 + H 213轴承尺寸图纸

李工:138-8949-5179

刘工:135-0428-8802

地址:辽宁省大连经济技术开发区现代城3栋-13-13号

在线客服系统