李工:138-8949-5179 刘工:135-0428-8802
型号查询
轴承型号   常见搜索: 6032轴承 6008轴承 6021轴承 6028轴承 688a轴承 6006轴承
型号查询 X

轴承专区

Bearings Center

YET 208 CW轴承-SKF YET 208 CW轴承尺寸、图纸、价格

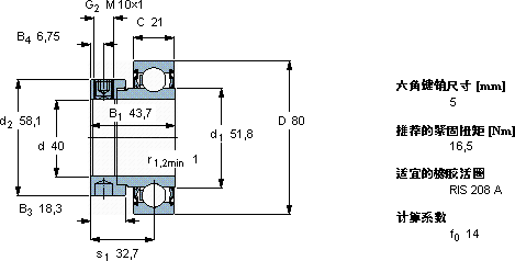
SKF YET 208 CW轴承

产品名称:YET 208 CW轴承 品牌:SKF
类型:SKF轴承 > 滚动轴承 > Y-轴承
描述:YET 208 CW轴承是【SKF轴承 > 滚动轴承 > Y-轴承】的型号,主要用在装卸搬运机械、离心分离机、木工机械、变速器、破碎机、石油钻机转环、矿山、烟草机械、凿岩机械、摩天轮等各大领域

 电话/微信:138-8949-5179

SKF YET 208 CW轴承详细信息

YET 208 CW轴承是【SKF轴承 > 滚动轴承 > Y-轴承】的型号,主要用在装卸搬运机械、离心分离机、木工机械、变速器、破碎机、石油钻机转环、矿山、烟草机械、凿岩机械、摩天轮等各大领域。

SKF YET 208 CW轴承详细参数

Y-轴承, 带偏心锁定环的, YEL 2-CW
主要数据尺寸基本负荷额定值疲劳负荷限值限制速度体积型号
动态静态
dDB1 (B)CCC0Pu用于轴公差h6
mmkNkNr/minkg-
408043,72130,7190,848000,59YET 208 CW

SKF YET 208 CW轴承尺寸图纸

李工:138-8949-5179

刘工:135-0428-8802

地址:辽宁省大连经济技术开发区现代城3栋-13-13号

在线客服系统