李工:138-8949-5179 刘工:135-0428-8802
型号查询
轴承型号   常见搜索: 6016轴承 6013轴承 6010轴承 688a轴承 6032轴承 6030轴承
型号查询 X

轴承专区

Bearings Center

YET 205/W64轴承-SKF YET 205/W64轴承尺寸、图纸、价格

SKF YET 205/W64轴承

产品名称:YET 205/W64轴承 品牌:SKF
类型:SKF轴承 > 滚动轴承 > Y-轴承
描述:YET 205/W64轴承是【SKF轴承 > 滚动轴承 > Y-轴承】的型号,主要用在变速器、离心分离机、中型及大型电动机、变速器、印刷机械、制铁制钢机械、立式电动机、音像设备、起重机械、机械手等各大领域

 电话/微信:138-8949-5179

SKF YET 205/W64轴承详细信息

YET 205/W64轴承是【SKF轴承 > 滚动轴承 > Y-轴承】的型号,主要用在变速器、离心分离机、中型及大型电动机、变速器、印刷机械、制铁制钢机械、立式电动机、音像设备、起重机械、机械手等各大领域。

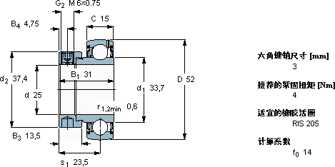
SKF YET 205/W64轴承详细参数

Y-轴承, 含Solid Oil
主要数据尺寸基本负荷额定值疲劳负荷限值限制速度体积型号
动态静态
dDB (B1)CCC0Pu
mmkNkNr/minkg-
25523115147,80,3358500,19YET 205/W64

SKF YET 205/W64轴承尺寸图纸

李工:138-8949-5179

刘工:135-0428-8802

地址:辽宁省大连经济技术开发区现代城3栋-13-13号

在线客服系统