李工:138-8949-5179 刘工:135-0428-8802
型号查询
轴承型号   常见搜索: 3214轴承 1轴承 6020轴承 6028轴承 688a轴承 6010轴承
型号查询 X

轴承专区

Bearings Center

6205-2Z/VA201轴承-SKF 6205-2Z/VA201轴承尺寸、图纸、价格

SKF 6205-2Z/VA201轴承

产品名称:6205-2Z/VA201轴承 品牌:SKF
类型:SKF轴承 > 滚动轴承 > 深沟球轴承
描述:6205-2Z/VA201轴承是【SKF轴承 > 滚动轴承 > 深沟球轴承】的型号,主要用在燃汽轮机、罗茨鼓风机、汽车发动机、建筑机械、轧钢机齿轮箱座、制铁制钢机械、电机厂、化纤机械、起重机械、码垛机器人等各大领域

 电话/微信:138-8949-5179

SKF 6205-2Z/VA201轴承详细信息

6205-2Z/VA201轴承是【SKF轴承 > 滚动轴承 > 深沟球轴承】的型号,主要用在燃汽轮机、罗茨鼓风机、汽车发动机、建筑机械、轧钢机齿轮箱座、制铁制钢机械、电机厂、化纤机械、起重机械、码垛机器人等各大领域。

SKF 6205-2Z/VA201轴承详细参数

深沟球轴承, 用于高温的深沟球轴承, 两面防尘罩
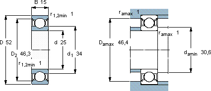
主要数据尺寸基本负荷额定值径向内部游隙体积型号
静态
dDBC0最小最大
mmkNμmkg-
2552157,81202120,136205-2Z/VA201

SKF 6205-2Z/VA201轴承尺寸图纸

李工:138-8949-5179

刘工:135-0428-8802

地址:辽宁省大连经济技术开发区现代城3栋-13-13号

在线客服系统