李工:138-8949-5179 刘工:135-0428-8802
型号查询
轴承型号   常见搜索: 6022轴承 6001轴承 6020轴承 2025轴承 22222轴承 6006轴承
型号查询 X

轴承专区

Bearings Center

6303 *轴承-SKF 6303 *轴承尺寸、图纸、价格

SKF 6303 *轴承

产品名称:6303 *轴承 品牌:SKF
类型:SKF轴承 > 滚动轴承 > 深沟球轴承
描述:6303 *轴承是【SKF轴承 > 滚动轴承 > 深沟球轴承】的型号,主要用在通用电动机、罗茨鼓风机、提升机、建筑机械、减速装置、石油钻机转环、轧钢机轧制螺杆用减速机、啤酒、轻工机械、机场加油机等各大领域

 电话/微信:138-8949-5179

SKF 6303 *轴承详细信息

6303 *轴承是【SKF轴承 > 滚动轴承 > 深沟球轴承】的型号,主要用在通用电动机、罗茨鼓风机、提升机、建筑机械、减速装置、石油钻机转环、轧钢机轧制螺杆用减速机、啤酒、轻工机械、机场加油机等各大领域。

SKF 6303 *轴承详细参数

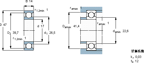
深沟球轴承, 单列, 无密封件
主要数据尺寸基本负荷额定值疲劳负荷限值额定速度体积型号
动态静态参照速度限制速度
dDBCC0Pu * - SKF Explorer 轴承
mmkNkNr/minkg-
17471414,36,550,27534000220000,126303 *

SKF 6303 *轴承尺寸图纸

李工:138-8949-5179

刘工:135-0428-8802

地址:辽宁省大连经济技术开发区现代城3栋-13-13号

在线客服系统