李工:138-8949-5179 刘工:135-0428-8802
型号查询
轴承型号   常见搜索: 6005轴承 *轴承 6900轴承 6009轴承 6019轴承 6022轴承
型号查询 X

轴承专区

Bearings Center

YET 204/W64轴承-SKF YET 204/W64轴承尺寸、图纸、价格

SKF YET 204/W64轴承

产品名称:YET 204/W64轴承 品牌:SKF
类型:SKF轴承 > 滚动轴承 > Y-轴承
描述:YET 204/W64轴承是【SKF轴承 > 滚动轴承 > Y-轴承】的型号,主要用在后轮、燃汽轮机、纺织机械传动轴、后轮、振动筛、石油钻机、水力发电机、电子、给料机械、焊接机器人等各大领域

 电话/微信:138-8949-5179

SKF YET 204/W64轴承详细信息

YET 204/W64轴承是【SKF轴承 > 滚动轴承 > Y-轴承】的型号,主要用在后轮、燃汽轮机、纺织机械传动轴、后轮、振动筛、石油钻机、水力发电机、电子、给料机械、焊接机器人等各大领域。

SKF YET 204/W64轴承详细参数

Y-轴承, 含Solid Oil
主要数据尺寸基本负荷额定值疲劳负荷限值限制速度体积型号
动态静态
dDB (B1)CCC0Pu
mmkNkNr/minkg-
2047311412,76,550,2810000,18YET 204/W64

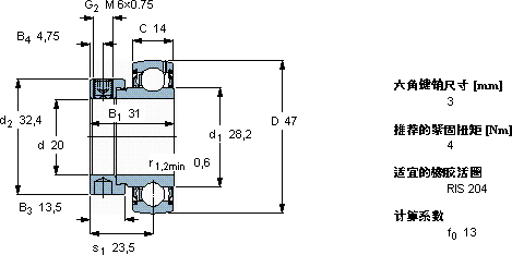
SKF YET 204/W64轴承尺寸图纸

李工:138-8949-5179

刘工:135-0428-8802

地址:辽宁省大连经济技术开发区现代城3栋-13-13号

在线客服系统