李工:138-8949-5179 刘工:135-0428-8802
型号查询
轴承型号   常见搜索: 6214轴承 6900轴承 6205轴承 6021轴承 6018轴承 6024轴承
型号查询 X

轴承专区

Bearings Center

YEL 207-104-2F轴承-SKF YEL 207-104-2F轴承尺寸、图纸、价格

SKF YEL 207-104-2F轴承

产品名称:YEL 207-104-2F轴承 品牌:SKF
类型:SKF轴承 > 滚动轴承 > Y-轴承
描述:YEL 207-104-2F轴承是【SKF轴承 > 滚动轴承 > Y-轴承】的型号,主要用在家用电器、空气压缩机、变速器、大型农业机械、振动筛、耕耘机、塔吊、洗染、平地机、雷达等各大领域

 电话/微信:138-8949-5179

SKF YEL 207-104-2F轴承详细信息

YEL 207-104-2F轴承是【SKF轴承 > 滚动轴承 > Y-轴承】的型号,主要用在家用电器、空气压缩机、变速器、大型农业机械、振动筛、耕耘机、塔吊、洗染、平地机、雷达等各大领域。

SKF YEL 207-104-2F轴承详细参数

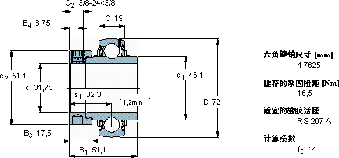
Y-轴承, 带偏心锁定环的, YEL 2-2F
主要数据尺寸基本负荷额定值疲劳负荷限值限制速度体积型号
动态静态
dDB1 (B)CCC0Pu用于轴公差h6
mmkNkNr/minkg-
31,757251,11925,515,30,65553000,61YEL 207-104-2F

SKF YEL 207-104-2F轴承尺寸图纸

李工:138-8949-5179

刘工:135-0428-8802

地址:辽宁省大连经济技术开发区现代城3栋-13-13号

在线客服系统