轴承专区
Bearings Center
YEL 207-106-2FCW轴承-SKF YEL 207-106-2FCW轴承尺寸、图纸、价格
SKF YEL 207-106-2FCW轴承
| 产品名称: | YEL 207-106-2FCW轴承 | 品牌: | SKF |
|---|---|---|---|
| 类型: | SKF轴承 > 滚动轴承 > Y-轴承 | ||
| 描述: | YEL 207-106-2FCW轴承是【SKF轴承 > 滚动轴承 > Y-轴承】的型号,主要用在各种产业机械、离心分离机、纺织机械传动轴、变速器、轧钢机齿轮箱座、制铁制钢机械、发电厂、陶瓷机械、起重机械、塔式车库等各大领域 | ||
电话/微信:138-8949-5179
SKF YEL 207-106-2FCW轴承详细信息
YEL 207-106-2FCW轴承是【SKF轴承 > 滚动轴承 > Y-轴承】的型号,主要用在各种产业机械、离心分离机、纺织机械传动轴、变速器、轧钢机齿轮箱座、制铁制钢机械、发电厂、陶瓷机械、起重机械、塔式车库等各大领域。
SKF YEL 207-106-2FCW轴承详细参数
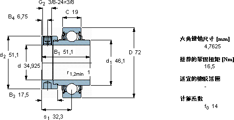
| Y-轴承, 带偏心锁定环的, YEL 2-2FCW | ||||||||||
| 主要数据尺寸 | 基本负荷额定值 | 疲劳负荷限值 | 限制速度 | 体积 | 型号 | |||||
| 动态 | 静态 | |||||||||
| d | D | B1 (B) | C | C | C0 | Pu | 用于轴公差h6 | |||
| mm | kN | kN | r/min | kg | - | |||||
| 34,925 | 72 | 51,1 | 19 | 25,5 | 15,3 | 0,655 | 5300 | 0,57 | YEL 207-106-2FCW | |
SKF YEL 207-106-2FCW轴承尺寸图纸

