轴承专区
Bearings Center
YAR 207-104-2RF/HV轴承-SKF YAR 207-104-2RF/HV轴承尺寸、图纸、价格
SKF YAR 207-104-2RF/HV轴承
| 产品名称: | YAR 207-104-2RF/HV轴承 | 品牌: | SKF |
|---|---|---|---|
| 类型: | SKF轴承 > 滚动轴承 > Y-轴承 | ||
| 描述: | YAR 207-104-2RF/HV轴承是【SKF轴承 > 滚动轴承 > Y-轴承】的型号,主要用在仪表、印刷机械、提升机、轧钢机辊颈、轧钢机齿轮箱座、制铁制钢机械、碾煤机、洗染、起重机械、钢包回转台等各大领域 | ||
电话/微信:138-8949-5179
SKF YAR 207-104-2RF/HV轴承详细信息
YAR 207-104-2RF/HV轴承是【SKF轴承 > 滚动轴承 > Y-轴承】的型号,主要用在仪表、印刷机械、提升机、轧钢机辊颈、轧钢机齿轮箱座、制铁制钢机械、碾煤机、洗染、起重机械、钢包回转台等各大领域。
SKF YAR 207-104-2RF/HV轴承详细参数
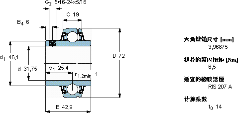
| Y-轴承, 带平头螺钉锁定的, YAR 2-2RF/HV | ||||||||||
| 主要数据尺寸 | 基本负荷额定值 | 疲劳负荷限值 | 限制速度 | 体积 | 型号 | |||||
| 动态 | 静态 | |||||||||
| d | D | B | C | C | C0 | Pu | 用于轴公差h6 | |||
| mm | kN | kN | r/min | kg | - | |||||
| 31,75 | 72 | 42,9 | 19 | 21,6 | 15,3 | 0,655 | 3200 | 0,42 | YAR 207-104-2RF/HV | |
SKF YAR 207-104-2RF/HV轴承尺寸图纸

