李工:138-8949-5179 刘工:135-0428-8802
型号查询
轴承型号   常见搜索: 6018轴承 6309轴承 688a轴承 6005轴承 6909轴承 6003轴承
型号查询 X

轴承专区

Bearings Center

FBSA 204/ QBC轴承-SKF FBSA 204/ QBC轴承尺寸、图纸、价格

SKF FBSA 204/ QBC轴承

产品名称:FBSA 204/ QBC轴承 品牌:SKF
类型:SKF轴承 > 超高精密轴承 > Angular contact thrust ball bearings for screw drives
描述:FBSA 204/ QBC轴承是【SKF轴承 > 超高精密轴承 > Angular contact thrust ball bearings for screw drives】的型号,主要用在内燃机、小型汽车前轮、压缩机、差速器、木工机械、汽车转向销、挤压机、音像设备、掘进机、码垛机器人等各大领域

 电话/微信:138-8949-5179

SKF FBSA 204/ QBC轴承详细信息

FBSA 204/ QBC轴承是【SKF轴承 > 超高精密轴承 > Angular contact thrust ball bearings for screw drives】的型号,主要用在内燃机、小型汽车前轮、压缩机、差速器、木工机械、汽车转向销、挤压机、音像设备、掘进机、码垛机器人等各大领域。

SKF FBSA 204/ QBC轴承详细参数

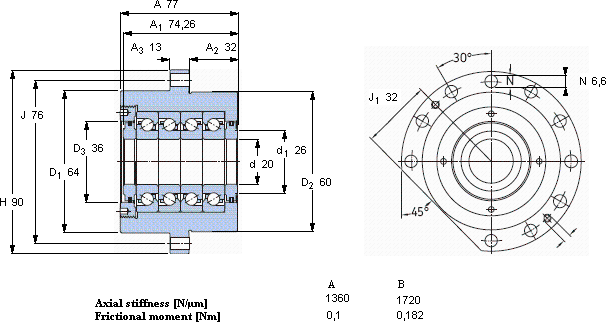
角接触推力球轴承 for screw drives, cartridge units with flanged housing
主要数据尺寸基本负荷额定值疲劳负荷限值可达到的速度体积型号
动态静态预压SKFSNFA
AB
dD2ACC0Pu
mmkNkNr/minkg-
20607735,86983,6475023751,7FBSA 204/ QBCBSQU 220 TDT

SKF FBSA 204/ QBC轴承尺寸图纸

李工:138-8949-5179

刘工:135-0428-8802

地址:辽宁省大连经济技术开发区现代城3栋-13-13号

在线客服系统