李工:138-8949-5179 刘工:135-0428-8802
型号查询
轴承型号   常见搜索: 6004轴承 6013轴承 2025轴承 6011轴承 6906轴承 6020轴承
型号查询 X

轴承专区

Bearings Center

16101轴承-SKF 16101轴承尺寸、图纸、价格

SKF 16101轴承

产品名称:16101轴承 品牌:SKF
类型:SKF轴承 > 滚动轴承 > 深沟球轴承
描述:16101轴承是【SKF轴承 > 滚动轴承 > 深沟球轴承】的型号,主要用在各种产业机械、高频马达、桥式起重机、前轮、减速装置、机床等的变速装置、发电厂、音像设备、压路机、冶金起重机等各大领域

 电话/微信:138-8949-5179

SKF 16101轴承详细信息

16101轴承是【SKF轴承 > 滚动轴承 > 深沟球轴承】的型号,主要用在各种产业机械、高频马达、桥式起重机、前轮、减速装置、机床等的变速装置、发电厂、音像设备、压路机、冶金起重机等各大领域。

SKF 16101轴承详细参数

深沟球轴承, 单列, 无密封件
主要数据尺寸基本负荷额定值疲劳负荷限值额定速度体积型号
动态静态参照速度限制速度
dDBCC0Pu
mmkNkNr/minkg-
123085,072,360,156000340000,02316101

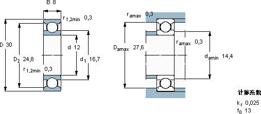
SKF 16101轴承尺寸图纸

李工:138-8949-5179

刘工:135-0428-8802

地址:辽宁省大连经济技术开发区现代城3栋-13-13号

在线客服系统