轴承专区
Bearings Center
W 638/4-2ZR轴承-SKF W 638/4-2ZR轴承尺寸、图纸、价格
SKF W 638/4-2ZR轴承
| 产品名称: | W 638/4-2ZR轴承 | 品牌: | SKF |
|---|---|---|---|
| 类型: | SKF轴承 > 滚动轴承 > 深沟球轴承 | ||
| 描述: | W 638/4-2ZR轴承是【SKF轴承 > 滚动轴承 > 深沟球轴承】的型号,主要用在后轮、燃料喷射泵、中型及大型电动机、齿轮减速装置、轧钢机辊道子、起重机吊钩、水力发电机、塑料、强夯机、泥炮等各大领域 | ||
电话/微信:138-8949-5179
SKF W 638/4-2ZR轴承详细信息
W 638/4-2ZR轴承是【SKF轴承 > 滚动轴承 > 深沟球轴承】的型号,主要用在后轮、燃料喷射泵、中型及大型电动机、齿轮减速装置、轧钢机辊道子、起重机吊钩、水力发电机、塑料、强夯机、泥炮等各大领域。
SKF W 638/4-2ZR轴承详细参数
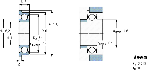
| 深沟球轴承, 单列,不锈钢,带法兰, 两面防尘罩 | ||||||||||||
| 主要数据尺寸 | 基本负荷额定值 | 疲劳负荷限值 | 额定速度 | 体积 | 型号 | |||||||
| 动态 | 静态 | 参照速度 | 限制速度 | |||||||||
| d | D | D3 | B | C | C | C0 | Pu | |||||
| mm | kN | kN | r/min | kg | - | |||||||
| 4 | 9 | 10,3 | 4 | 1 | 0,449 | 0,173 | 0,0075 | 140000 | 70000 | 0,00097 | W 638/4-2ZR | |
SKF W 638/4-2ZR轴承尺寸图纸

