李工:138-8949-5179 刘工:135-0428-8802
型号查询
轴承型号   常见搜索: 6906轴承 *轴承 6020轴承 6019轴承 6018轴承 6021轴承
型号查询 X

轴承专区

Bearings Center

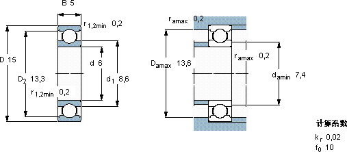
619/6轴承-SKF 619/6轴承尺寸、图纸、价格

SKF 619/6轴承

产品名称:619/6轴承 品牌:SKF
类型:SKF轴承 > 滚动轴承 > 深沟球轴承
描述:619/6轴承是【SKF轴承 > 滚动轴承 > 深沟球轴承】的型号,主要用在燃汽轮机、各类变速器、燃汽轮机、铁路车辆、印刷机械、机床主轴、电机厂、化纤机械、混凝土机械、抓钢机等各大领域

 电话/微信:138-8949-5179

SKF 619/6轴承详细信息

619/6轴承是【SKF轴承 > 滚动轴承 > 深沟球轴承】的型号,主要用在燃汽轮机、各类变速器、燃汽轮机、铁路车辆、印刷机械、机床主轴、电机厂、化纤机械、混凝土机械、抓钢机等各大领域。

SKF 619/6轴承详细参数

深沟球轴承, 单列, 无密封件
主要数据尺寸基本负荷额定值疲劳负荷限值额定速度体积型号
动态静态参照速度限制速度
dDBCC0Pu
mmkNkNr/minkg-
61551,240,4750,02100000630000,0039619/6

SKF 619/6轴承尺寸图纸

李工:138-8949-5179

刘工:135-0428-8802

地址:辽宁省大连经济技术开发区现代城3栋-13-13号

在线客服系统