李工:138-8949-5179 刘工:135-0428-8802
型号查询
轴承型号   常见搜索: 6909轴承 7014轴承 22222轴承 6016轴承 23136轴承 617轴承
型号查询 X

轴承专区

Bearings Center

W 6306轴承-SKF W 6306轴承尺寸、图纸、价格

SKF W 6306轴承

产品名称:W 6306轴承 品牌:SKF
类型:SKF轴承 > 滚动轴承 > 深沟球轴承
描述:W 6306轴承是【SKF轴承 > 滚动轴承 > 深沟球轴承】的型号,主要用在各种产业机械、离心分离机、提升机、变速器、轧钢机齿轮箱座、石油钻机转环、发电厂、玩具、凿岩机械、塔式车库等各大领域

 电话/微信:138-8949-5179

SKF W 6306轴承详细信息

W 6306轴承是【SKF轴承 > 滚动轴承 > 深沟球轴承】的型号,主要用在各种产业机械、离心分离机、提升机、变速器、轧钢机齿轮箱座、石油钻机转环、发电厂、玩具、凿岩机械、塔式车库等各大领域。

SKF W 6306轴承详细参数

深沟球轴承, 单列,不锈钢, 无密封件
主要数据尺寸基本负荷额定值疲劳负荷限值额定速度体积型号
动态静态参照速度限制速度
dDBCC0Pu
mmkNkNr/minkg-
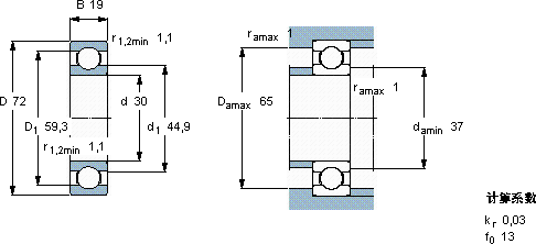
30721922,514,60,6420000130000,35W 6306

SKF W 6306轴承尺寸图纸

李工:138-8949-5179

刘工:135-0428-8802

地址:辽宁省大连经济技术开发区现代城3栋-13-13号

在线客服系统