李工:138-8949-5179 刘工:135-0428-8802
型号查询
轴承型号   常见搜索: 2025轴承 6012轴承 617轴承 6309轴承 6007轴承 6014轴承
型号查询 X

轴承专区

Bearings Center

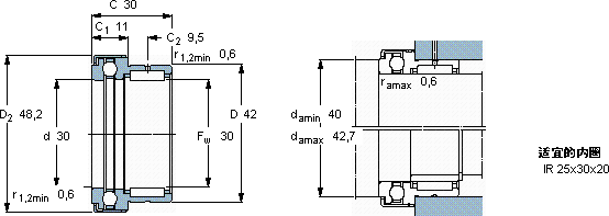
NKX 30 Z轴承-SKF NKX 30 Z轴承尺寸、图纸、价格

SKF NKX 30 Z轴承

产品名称:NKX 30 Z轴承 品牌:SKF
类型:SKF轴承 > 滚动轴承 > 组合滚针轴承
描述:NKX 30 Z轴承是【SKF轴承 > 滚动轴承 > 组合滚针轴承】的型号,主要用在通用电动机、离心分离机、桥式起重机、变速器、破碎机、制铁制钢机械、轧钢机轧制螺杆用减速机、钟表、起重机械、太阳能发电设备等各大领域

 电话/微信:138-8949-5179

SKF NKX 30 Z轴承详细信息

NKX 30 Z轴承是【SKF轴承 > 滚动轴承 > 组合滚针轴承】的型号,主要用在通用电动机、离心分离机、桥式起重机、变速器、破碎机、制铁制钢机械、轧钢机轧制螺杆用减速机、钟表、起重机械、太阳能发电设备等各大领域。

SKF NKX 30 Z轴承详细参数

组合式滚针轴承, 滚针/推力球轴承
主要数据尺寸基本负荷额定值疲劳负荷限值最小负荷系数额定速度体积型号
径向轴向参照速度限制速度
动态静态动态静态径向轴向
FwDCCC0CC0PuPuA
mmkNkN-r/minkg-
30423022,93920,345,54,81,70,01600050000,15NKX 30 Z

SKF NKX 30 Z轴承尺寸图纸

李工:138-8949-5179

刘工:135-0428-8802

地址:辽宁省大连经济技术开发区现代城3栋-13-13号

在线客服系统