李工:138-8949-5179 刘工:135-0428-8802
型号查询
轴承型号   常见搜索: 6016轴承 6205轴承 6010轴承 6214轴承 6013轴承 6017轴承
型号查询 X

轴承专区

Bearings Center

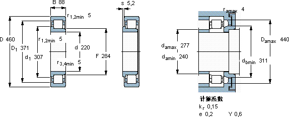
NJ 344 M轴承-SKF NJ 344 M轴承尺寸、图纸、价格

SKF NJ 344 M轴承

产品名称:NJ 344 M轴承 品牌:SKF
类型:SKF轴承 > 滚动轴承 > 圆柱滚子轴承
描述:NJ 344 M轴承是【SKF轴承 > 滚动轴承 > 圆柱滚子轴承】的型号,主要用在铁路车辆、机床主轴、泵、汽车、造纸机械、耕耘机、冶炼厂、化纤机械、地基处理机械、机械手等各大领域

 电话/微信:138-8949-5179

SKF NJ 344 M轴承详细信息

NJ 344 M轴承是【SKF轴承 > 滚动轴承 > 圆柱滚子轴承】的型号,主要用在铁路车辆、机床主轴、泵、汽车、造纸机械、耕耘机、冶炼厂、化纤机械、地基处理机械、机械手等各大领域。

SKF NJ 344 M轴承详细参数

圆柱滚子轴承, 单列, NJ 设计
主要数据尺寸基本负荷额定值疲劳负荷限值额定速度体积型号适宜的斜挡圈
动态静态参照速度限制速度型号
dDBCC0Pu
mmkNkNr/minkg--
22046088121016301501500170073,5NJ 344 M-

SKF NJ 344 M轴承尺寸图纸

李工:138-8949-5179

刘工:135-0428-8802

地址:辽宁省大连经济技术开发区现代城3栋-13-13号

在线客服系统