李工:138-8949-5179 刘工:135-0428-8802
型号查询
轴承型号   常见搜索: 6906轴承 *轴承 6020轴承 6900轴承 6005轴承 6016轴承
型号查询 X

轴承专区

Bearings Center

466952轴承-SKF 466952轴承尺寸、图纸、价格

SKF 466952轴承

产品名称:466952轴承 品牌:SKF
类型:SKF轴承 > 滚动轴承 > 角接触球轴承
描述:466952轴承是【SKF轴承 > 滚动轴承 > 角接触球轴承】的型号,主要用在仪表、差速器小齿轮轴、中型及大型电动机、小齿轮轴、减速装置、机床主轴、碾煤机、纺织、混凝土机械、钢包回转台等各大领域

 电话/微信:138-8949-5179

SKF 466952轴承详细信息

466952轴承是【SKF轴承 > 滚动轴承 > 角接触球轴承】的型号,主要用在仪表、差速器小齿轮轴、中型及大型电动机、小齿轮轴、减速装置、机床主轴、碾煤机、纺织、混凝土机械、钢包回转台等各大领域。

SKF 466952轴承详细参数

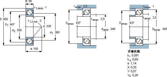
角接触球轴承, 单列
主要数据尺寸尺寸 [英寸]疲劳负荷限值额定速度体积型号
动态静态参照速度限制速度
dDBCC0Pu
mmkNkNr/minkg-
3354505628148010,41400140025,5466952

SKF 466952轴承尺寸图纸

李工:138-8949-5179

刘工:135-0428-8802

地址:辽宁省大连经济技术开发区现代城3栋-13-13号

在线客服系统