李工:138-8949-5179 刘工:135-0428-8802
型号查询
轴承型号   常见搜索: 6909轴承 6006轴承 6011轴承 6001轴承 6013轴承 6309轴承
型号查询 X

轴承专区

Bearings Center

W 61804轴承-SKF W 61804轴承尺寸、图纸、价格

SKF W 61804轴承

产品名称:W 61804轴承 品牌:SKF
类型:SKF轴承 > 滚动轴承 > 深沟球轴承
描述:W 61804轴承是【SKF轴承 > 滚动轴承 > 深沟球轴承】的型号,主要用在农业机械、燃料喷射泵、变速器、齿轮减速装置、轧钢机辊道子、石油钻机、钢铁厂、洗染、给料机械、机场加油机等各大领域

 电话/微信:138-8949-5179

SKF W 61804轴承详细信息

W 61804轴承是【SKF轴承 > 滚动轴承 > 深沟球轴承】的型号,主要用在农业机械、燃料喷射泵、变速器、齿轮减速装置、轧钢机辊道子、石油钻机、钢铁厂、洗染、给料机械、机场加油机等各大领域。

SKF W 61804轴承详细参数

深沟球轴承, 单列,不锈钢, 无密封件
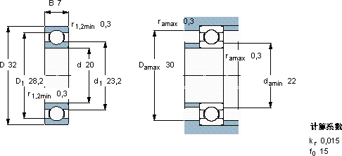
主要数据尺寸基本负荷额定值疲劳负荷限值额定速度体积型号
动态静态参照速度限制速度
dDBCC0Pu
mmkNkNr/minkg-
203273,382,240,10445000280000,018W 61804

SKF W 61804轴承尺寸图纸

李工:138-8949-5179

刘工:135-0428-8802

地址:辽宁省大连经济技术开发区现代城3栋-13-13号

在线客服系统