李工:138-8949-5179 刘工:135-0428-8802
型号查询
轴承型号   常见搜索: *轴承 3214轴承 6906轴承 6028轴承 6008轴承 6021轴承
型号查询 X

轴承专区

Bearings Center

6316-Z *轴承-SKF 6316-Z *轴承尺寸、图纸、价格

SKF 6316-Z *轴承

产品名称:6316-Z *轴承 品牌:SKF
类型:SKF轴承 > 滚动轴承 > 深沟球轴承
描述:6316-Z *轴承是【SKF轴承 > 滚动轴承 > 深沟球轴承】的型号,主要用在仪表、各类变速器、发电机、铁路车辆、轧钢机齿轮箱座、机床等的变速装置、碾煤机、洗染、压路机、坦克等各大领域

 电话/微信:138-8949-5179

SKF 6316-Z *轴承详细信息

6316-Z *轴承是【SKF轴承 > 滚动轴承 > 深沟球轴承】的型号,主要用在仪表、各类变速器、发电机、铁路车辆、轧钢机齿轮箱座、机床等的变速装置、碾煤机、洗染、压路机、坦克等各大领域。

SKF 6316-Z *轴承详细参数

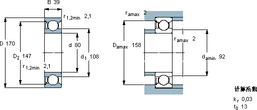
深沟球轴承, 单列, 单面防尘罩
主要数据尺寸基本负荷额定值疲劳负荷限值额定速度体积型号
动态静态参照速度限制速度
dDBCC0Pu * - SKF Explorer 轴承
mmkNkNr/minkg-
801703913086,53,25850053003,606316-Z *

SKF 6316-Z *轴承尺寸图纸

李工:138-8949-5179

刘工:135-0428-8802

地址:辽宁省大连经济技术开发区现代城3栋-13-13号

在线客服系统