轴承专区
Bearings Center
W 05轴承-SKF W 05轴承尺寸、图纸、价格
SKF W 05轴承
| 产品名称: | W 05轴承 | 品牌: | SKF |
|---|---|---|---|
| 类型: | SKF轴承 > 滚动轴承 > 轴承附件 | ||
| 描述: | W 05轴承是【SKF轴承 > 滚动轴承 > 轴承附件】的型号,主要用在后轮、空气压缩机、纺织机械传动轴、大型农业机械、振动筛、耕耘机、水力发电机、钟表、地基处理机械、焊接机器人等各大领域 | ||
电话/微信:138-8949-5179
SKF W 05轴承详细信息
W 05轴承是【SKF轴承 > 滚动轴承 > 轴承附件】的型号,主要用在后轮、空气压缩机、纺织机械传动轴、大型农业机械、振动筛、耕耘机、水力发电机、钟表、地基处理机械、焊接机器人等各大领域。
SKF W 05轴承详细参数
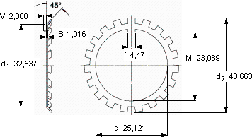
| W锁紧垫圈, 英制尺寸 | ||||||
| 尺寸 | 体积 | 型号 | ||||
| 锁紧垫圈 | 适宜的锁定螺母 | |||||
| d | d2 | B | ||||
| mm | kg | - | ||||
| 25,121 | 43,663 | 1,016 | 0,008 | W 05 | N 05 | |
SKF W 05轴承尺寸图纸

