轴承专区
Bearings Center
61905轴承-SKF 61905轴承尺寸、图纸、价格
SKF 61905轴承
| 产品名称: | 61905轴承 | 品牌: | SKF |
|---|---|---|---|
| 类型: | SKF轴承 > 滚动轴承 > 深沟球轴承 | ||
| 描述: | 61905轴承是【SKF轴承 > 滚动轴承 > 深沟球轴承】的型号,主要用在内燃机、油泵、燃汽轮机、机床主轴、造纸机械、石油钻机、挤压机、薄膜拉伸、给料机械、抓钢机等各大领域 | ||
电话/微信:138-8949-5179
SKF 61905轴承详细信息
61905轴承是【SKF轴承 > 滚动轴承 > 深沟球轴承】的型号,主要用在内燃机、油泵、燃汽轮机、机床主轴、造纸机械、石油钻机、挤压机、薄膜拉伸、给料机械、抓钢机等各大领域。
SKF 61905轴承详细参数
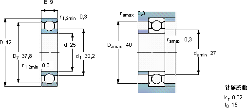
| 深沟球轴承, 单列, 无密封件 | |||||||||||
| 主要数据尺寸 | 基本负荷额定值 | 疲劳负荷限值 | 额定速度 | 体积 | 型号 | ||||||
| 动态 | 静态 | 参照速度 | 限制速度 | ||||||||
| d | D | B | C | C0 | Pu | ||||||
| mm | kN | kN | r/min | kg | - | ||||||
| 25 | 42 | 9 | 7,02 | 4,3 | 0,193 | 36000 | 22000 | 0,045 | 61905 | ||
SKF 61905轴承尺寸图纸

