李工:138-8949-5179 刘工:135-0428-8802
型号查询
轴承型号   常见搜索: 2025轴承 6304轴承 6014轴承 1轴承 6020轴承 6305轴承
型号查询 X

轴承专区

Bearings Center

61921轴承-SKF 61921轴承尺寸、图纸、价格

SKF 61921轴承

产品名称:61921轴承 品牌:SKF
类型:SKF轴承 > 滚动轴承 > 深沟球轴承
描述:61921轴承是【SKF轴承 > 滚动轴承 > 深沟球轴承】的型号,主要用在农业机械、燃汽轮机、纺织机械传动轴、后轮、铁路车辆车轴、起重机吊钩、钢铁厂、饮料设备、专用车、刮泥机等各大领域

 电话/微信:138-8949-5179

SKF 61921轴承详细信息

61921轴承是【SKF轴承 > 滚动轴承 > 深沟球轴承】的型号,主要用在农业机械、燃汽轮机、纺织机械传动轴、后轮、铁路车辆车轴、起重机吊钩、钢铁厂、饮料设备、专用车、刮泥机等各大领域。

SKF 61921轴承详细参数

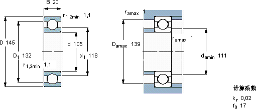
深沟球轴承, 单列, 无密封件
主要数据尺寸基本负荷额定值疲劳负荷限值额定速度体积型号
动态静态参照速度限制速度
dDBCC0Pu
mmkNkNr/minkg-
1051452044,2441,7950056000,8761921

SKF 61921轴承尺寸图纸

李工:138-8949-5179

刘工:135-0428-8802

地址:辽宁省大连经济技术开发区现代城3栋-13-13号

在线客服系统