轴承专区
Bearings Center
SYNT 90 LTS轴承-SKF SYNT 90 LTS轴承尺寸、图纸、价格
SKF SYNT 90 LTS轴承
| 产品名称: | SYNT 90 LTS轴承 | 品牌: | SKF |
|---|---|---|---|
| 类型: | SKF轴承 > 轴承单元 > 座式滚子轴承单元 | ||
| 描述: | SYNT 90 LTS轴承是【SKF轴承 > 轴承单元 > 座式滚子轴承单元】的型号,主要用在飞机喷气式发动机、燃料喷射泵、汽车发动机、齿轮减速装置、铁路车辆车轴、石油钻机、燃机、制鞋、解体机、厨具设备等各大领域 | ||
电话/微信:138-8949-5179
SKF SYNT 90 LTS轴承详细信息
SYNT 90 LTS轴承是【SKF轴承 > 轴承单元 > 座式滚子轴承单元】的型号,主要用在飞机喷气式发动机、燃料喷射泵、汽车发动机、齿轮减速装置、铁路车辆车轴、石油钻机、燃机、制鞋、解体机、厨具设备等各大领域。
SKF SYNT 90 LTS轴承详细参数
| 滚子轴承立式轴承座单元, SKF ConCentra, non-locating units, labyrinth seals | ||||||||||||
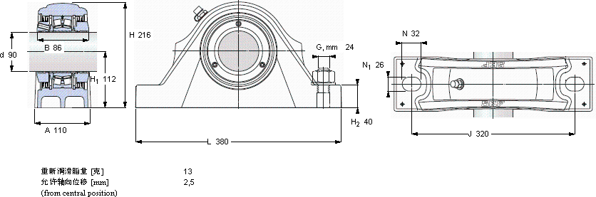
| 尺寸 | 尺寸 [英寸] | 疲劳负荷限值 | 限制速度 | 体积 | 型号 | 轴承,基本型号 | ||||||
| 动态 | 静态 | |||||||||||
| da | A | H | H1 | L | C | C0 | Pu | |||||
| mm | kN | kN | r/min | kg | - | - | ||||||
| 90 | 110 | 216 | 112 | 380 | 325 | 375 | 39 | 2800 | 21 | SYNT 90 LTS | 22218 E | |
SKF SYNT 90 LTS轴承尺寸图纸

