李工:138-8949-5179 刘工:135-0428-8802
型号查询
轴承型号   常见搜索: 1轴承 6016轴承 6002轴承 6309轴承 6305轴承 6028轴承
型号查询 X

轴承专区

Bearings Center

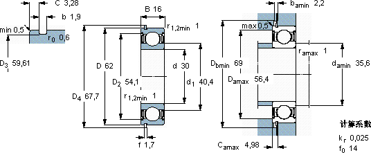
6206-2ZNR *轴承-SKF 6206-2ZNR *轴承尺寸、图纸、价格

SKF 6206-2ZNR *轴承

产品名称:6206-2ZNR *轴承 品牌:SKF
类型:SKF轴承 > 滚动轴承 > 深沟球轴承
描述:6206-2ZNR *轴承是【SKF轴承 > 滚动轴承 > 深沟球轴承】的型号,主要用在家用电器、空气压缩机、汽车发动机、大型农业机械、铁路车辆车轴、汽车转向销、塔吊、薄膜拉伸、掘进机、雷达等各大领域

 电话/微信:138-8949-5179

SKF 6206-2ZNR *轴承详细信息

6206-2ZNR *轴承是【SKF轴承 > 滚动轴承 > 深沟球轴承】的型号,主要用在家用电器、空气压缩机、汽车发动机、大型农业机械、铁路车辆车轴、汽车转向销、塔吊、薄膜拉伸、掘进机、雷达等各大领域。

SKF 6206-2ZNR *轴承详细参数

深沟球轴承, 单列,带止动环槽, 两面防尘罩
主要数据尺寸基本负荷额定值疲劳负荷限值额定速度体积型号
动态静态参照速度限制速度轴承止动环
(R = 带止动环)
dDBCC0Pu * - SKF Explorer 轴承
mmkNkNr/minkg-
30621620,311,20,47524000120000,206206-2ZNR *SP 62

SKF 6206-2ZNR *轴承尺寸图纸

李工:138-8949-5179

刘工:135-0428-8802

地址:辽宁省大连经济技术开发区现代城3栋-13-13号

在线客服系统