轴承专区
Bearings Center
7334 BCBM轴承-SKF 7334 BCBM轴承尺寸、图纸、价格
SKF 7334 BCBM轴承
| 产品名称: | 7334 BCBM轴承 | 品牌: | SKF |
|---|---|---|---|
| 类型: | SKF轴承 > 滚动轴承 > 角接触球轴承 | ||
| 描述: | 7334 BCBM轴承是【SKF轴承 > 滚动轴承 > 角接触球轴承】的型号,主要用在各种产业机械、罗茨鼓风机、汽车发动机、建筑机械、各类产业用减速机、制铁制钢机械、发电厂、薄膜拉伸、堆取料机、冶金起重机等各大领域 | ||
电话/微信:138-8949-5179
SKF 7334 BCBM轴承详细信息
7334 BCBM轴承是【SKF轴承 > 滚动轴承 > 角接触球轴承】的型号,主要用在各种产业机械、罗茨鼓风机、汽车发动机、建筑机械、各类产业用减速机、制铁制钢机械、发电厂、薄膜拉伸、堆取料机、冶金起重机等各大领域。
SKF 7334 BCBM轴承详细参数
| 角接触球轴承, 单列 | |||||||||||
| 主要数据尺寸 | 尺寸 [英寸] | 疲劳负荷限值 | 额定速度 | 体积 | 型号 | ||||||
| 动态 | 静态 | 参照速度 | 限制速度 | ||||||||
| d | D | B | C | C0 | Pu | ||||||
| mm | kN | kN | r/min | kg | - | ||||||
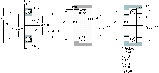
| 170 | 360 | 72 | 390 | 490 | 12,7 | 2000 | 2200 | 34,6 | 7334 BCBM | ||
SKF 7334 BCBM轴承尺寸图纸

