轴承专区
Bearings Center
BCSB 322213 CC轴承-SKF BCSB 322213 CC轴承尺寸、图纸、价格
SKF BCSB 322213 CC轴承
| 产品名称: | BCSB 322213 CC轴承 | 品牌: | SKF |
|---|---|---|---|
| 类型: | SKF轴承 > 滚动轴承 > 圆柱滚子轴承 | ||
| 描述: | BCSB 322213 CC轴承是【SKF轴承 > 滚动轴承 > 圆柱滚子轴承】的型号,主要用在家用电器、燃料喷射泵、桥式起重机、齿轮减速装置、振动筛、起重机吊钩、塔吊、破碎、专用车、冶金起重机等各大领域 | ||
电话/微信:138-8949-5179
SKF BCSB 322213 CC轴承详细信息
BCSB 322213 CC轴承是【SKF轴承 > 滚动轴承 > 圆柱滚子轴承】的型号,主要用在家用电器、燃料喷射泵、桥式起重机、齿轮减速装置、振动筛、起重机吊钩、塔吊、破碎、专用车、冶金起重机等各大领域。
SKF BCSB 322213 CC轴承详细参数
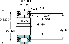
| 圆柱滚子轴承, 剖分式单列 | |||||||||||
| 主要数据尺寸 | 基本负荷额定值 | 疲劳负荷限值 | 径向内部游隙 | 体积 | 型号 | ||||||
| 动态 | 静态 | ||||||||||
| d | D | B | C | C | C0 | Pu | 最小 | 最大 | |||
| mm | kN | kN | mm | kg | - | ||||||
| 318 | 622,37 | 272 | 160,4 | 2920 | 4400 | 360 | 0,145 | 0,225 | 365 | BCSB 322213 CC | |
SKF BCSB 322213 CC轴承尺寸图纸

