李工:138-8949-5179 刘工:135-0428-8802
型号查询
轴承型号   常见搜索: 6026轴承 6022轴承 6900轴承 22222轴承 6009轴承 6004轴承
型号查询 X

轴承专区

Bearings Center

STO 6 TN轴承-SKF STO 6 TN轴承尺寸、图纸、价格

SKF STO 6 TN轴承

产品名称:STO 6 TN轴承 品牌:SKF
类型:SKF轴承 > 滚动轴承 > 滚轮轴承
描述:STO 6 TN轴承是【SKF轴承 > 滚动轴承 > 滚轮轴承】的型号,主要用在农业机械、空气压缩机、汽车发动机、大型农业机械、铁路车辆车轴、汽车转向销、钢铁厂、钟表、掘进机、刮泥机等各大领域

 电话/微信:138-8949-5179

SKF STO 6 TN轴承详细信息

STO 6 TN轴承是【SKF轴承 > 滚动轴承 > 滚轮轴承】的型号,主要用在农业机械、空气压缩机、汽车发动机、大型农业机械、铁路车辆车轴、汽车转向销、钢铁厂、钟表、掘进机、刮泥机等各大领域。

SKF STO 6 TN轴承详细参数

不带法兰圈支承滚子,有内圈
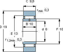
尺寸基本负荷额定值疲劳限值最大径向负荷限制速度体积型号
动态静态动态静态
DdCCC0PuFrF0r
mmkNkNkNr/minkg-
1969,83,744,50,54,256,170000,017STO 6 TN

SKF STO 6 TN轴承尺寸图纸

李工:138-8949-5179

刘工:135-0428-8802

地址:辽宁省大连经济技术开发区现代城3栋-13-13号

在线客服系统